Testfotos mit verschiedener 1,3 MPixel Kameras


Klicken Sie immer auf "Volle Auflösung" und beachten Sie die subtilen Unterschiede, welche wir hier zusammengefasst haben:
Kamera Auflösung
Pixel
Bild/Sek
Sensor
Diagonal
Farbechtheit
automatisch
Farbechtheit
manuell
Dynamisches
Bereich
Harmonisierung
mit 0,5x Reduktor
Sehfeld
(100%=
WF10x/22)
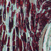
MicroQ-PRO 1,3 MPixel
(1280x1024)
20Bild/Sek
1/3" (8,4mm) Heller Farbton. Auch die dunklen Strukturen sind gut sichtbar. Leicht überbelichtet. Lässt sich sehr feinfühlig einstellen, schöne Intensität-Abstufungen. 65dB x 38%
(siehe Bild.1.)
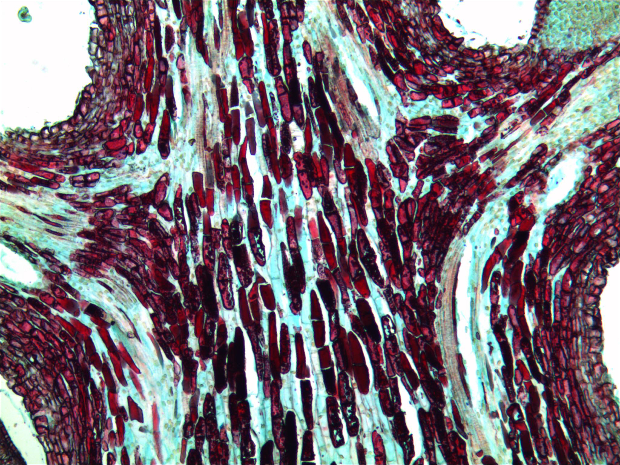
Tucsen 1,3 MPixel
(1280x1024)
12Bild/Sek
1/3" (8,4mm) Kräftiger Farbton. Helle Strukturen sind gut sichtbar. Leicht unterbelichtet. Lässt sich sehr feinfühlig einstellen, schöne Intensität-Abstufungen. 62dB x 38%
(siehe Bild.1.)
MicroQ-PRO
mit 0,5x Reduktor
1,3 MPixel
(1280x1024)
20Bild/Sek
1/3" (8,4mm) Sehr hell. Die dunklen Strukturen sind zwar gut sichtbar, insgesamt aber überbelichtet. siehe MicroQ-PRO ohne Reduktor 65dB Randkorrektur OK, Abstand ist richtig 72%
(siehe Bild.1.)
Tucsen
mit 0,5x Reduktor
1,3 MPixel
(1280x1024)
12Bild/Sek
1/3" (8,4mm) Reagiert (automatisch) sehr gut auf die geänderte Lichtmenge. siehe Tucsen ohne Reduktor 62dB Randkorrektur OK, Abstand ist richtig 76%
(siehe Bild.1.)
MicroQW-PRO
Weitwinkel (0,6x)
1,3 MPixel
(1280x1024)
20Bild/Sek
1/3" (8,4mm) Kommt dem visuellen Eindruck am nähesten. siehe MicroQ-PRO ohne Reduktor 65dB fix eingebautes und optimiertes 0,6x Linsensystem 64%
(siehe Bild.1.)
mit 3 MPixel
als Vergleich
3,0 MPixel
(2048x1536)
1/2" (12,7mm) x x x x 53%
(siehe Bild.1.)
mit 0,35 MPixel
als Vergleich
0,35 MPixel
(640x480)
1/4" (6,3mm) x x x x 27%

Bild.1.:
Sehfeld-Verhältnisse:
visuell und fotografisch

hier kommt noch ein Bild... (Testaufbau)
MicroQ-PRO 1,3MPixel
ohne Zwischenoptik

(Standard Einstellung)

Detailfoto mit Standard Einstellung: nur leicht geschärfter, oversampelter Ausschnitt mit 2x2 binning. Keine weitere Bearbeitung.




Klick: Rohbild (Unbearbeitet)
Der weisse Kreis entspricht dem visuellen Sehfeld eines WF 10x/22 Okulars.
The white circle shows the field of view of a WF 10x/22 eyepiece.
Tucsen 1,3MPixel
ohne Zwischenoptik

(Standard Einstellung)

Detailfoto mit Standard Einstellung: nur leicht geschärfter, oversampelter Ausschnitt mit 2x2 binning. Keine weitere Bearbeitung.



Klick: Rohbild (Unbearbeitet)
Der weisse Kreis entspricht dem visuellen Sehfeld eines WF 10x/22 Okulars.
The white circle shows the field of view of a WF 10x/22 eyepiece.
MicroQ-PRO 1,3MPixel
mit 0,5x Shapley-Adapter

(Standard Einstellung)

Detailfoto mit Standard Einstellung: nur leicht geschärfter, oversampelter Ausschnitt mit 2x2 binning. Keine weitere Bearbeitung.



Klick: Rohbild (Unbearbeitet)
Der weisse Kreis entspricht dem visuellen Sehfeld eines WF 10x/22 Okulars.
The white circle shows the field of view of a WF 10x/22 eyepiece.
Tucsen 1,3MPixel
mit 0,5x Shapley-Adapter

(Standard Einstellung)

Detailfoto mit Standard Einstellung: nur leicht geschärfter, oversampelter Ausschnitt mit 2x2 binning. Keine weitere Bearbeitung.



Klick: Rohbild (Unbearbeitet)
Der weisse Kreis entspricht dem visuellen Sehfeld eines WF 10x/22 Okulars.
The white circle shows the field of view of a WF 10x/22 eyepiece.
MicroQW-PRO 1,3MPixel
mit eingebauter Vorsatzlinse

(Standard Einstellung)

Detailfoto mit Standard Einstellung: nur leicht geschärfter, oversampelter Ausschnitt mit 2x2 binning. Keine weitere Bearbeitung.
Detailfoto (geschärftes,
oversampeltes Ausschnitt
mit 2x2 binning)



Klick: Rohbild (Unbearbeitet)
Der weisse Kreis entspricht dem visuellen Sehfeld eines WF 10x/22 Okulars.
The white circle shows the field of view of a WF 10x/22 eyepiece.
MicroQ-PRO 1,3MPixel höhervergrößert und optimiert mit manueller Einstellung
MicroQ-PRO 1,3MPixel höhervergrößert und optimiert mit manueller Einstellung

Tucsen 1,3MPixel höhervergrößert und optimiert mit manueller Einstellung
Tucsen 1,3MPixel höhervergrößert und optimiert mit manueller Einstellung

Vergleich:
ZEISS AxioCamColor 1,3MPixel
Vergleich: ZEISS AxioCamColor 1,3MPixel
Vergleich:
ZEISS AxioCamMono 1,3MPixel
Vergleich: ZEISS AxioCamMono 1,3MPixel
Vergleich 3,0MPixel
(1/2" Sensor-Diagonal)


Detailfoto mit Standard Einstellung: nur leicht geschärfter, oversampelter Ausschnitt mit 2x2 binning. Keine weitere Bearbeitung.



Klick: Rohbild (Unbearbeitet)
Der weisse Kreis entspricht dem visuellen Sehfeld eines WF 10x/22 Okulars.
The white circle shows the field of view of a WF 10x/22 eyepiece.
Vergleich 0,35MPixel
(1/4" Sensor-Diagonal)

Detailfoto mit Standard Einstellung: nur leicht geschärfter, oversampelter Ausschnitt mit 2x2 binning. Keine weitere Bearbeitung.




Klick: Rohbild (Unbearbeitet)
Der weisse Kreis entspricht dem visuellen Sehfeld eines WF 10x/22 Okulars.
The white circle shows the field of view of a WF 10x/22 eyepiece.